產品展(zhǎn)示
PRODUCT SHOW聯係(xì)我們
Contect Us手(shǒu) 機:130-5702-8028
電 話:0513-88901256
傳 真:0513-81165292
郵 箱:13057028028@126.com
地 址:江蘇海安高科技創業園(yuán)加速器(qì)8號

一(yī)、概述:
磁粉加載器是根據電磁原理和利用磁粉傳遞轉矩的。其具有激磁(cí)電流和傳遞轉矩基本成線性關係的特點。在同滑差(chà)無關的情況下能夠傳遞一定的轉矩(jǔ),具有響應速度快、結構簡(jiǎn)單、無汙染、無噪音、無衝擊振動節約能源等優點。是一種多(duō)用途、性能優越的張力控製元件。常作為模擬加載器用於測功機中。按照安裝方式不同(tóng),磁粉加載(zǎi)器可分為機座式、法蘭(lán)式、空心軸式、空心軸旋轉式(shì)四種類型(xíng)。
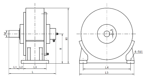
二(èr)、技術指標(機座式):
型號 | 技術參數 | 安 裝 尺 寸 | |||||||||||||
額定 | 激磁(cí) | 滑差 | 冷卻 | d | H | H1 | L | L1 | L2 | L3 | L4 | L5 | d1 | b | |
CZ-0.2 | 2 | 0.4 | 0.1 | 自 | 9 | 55 | 105 | 106 | 20 | 33 | 26 | 100 | 115 | 5.5 | 削(xuē)平 |
CZ-0.5 | 5 | 0.5 | 0.3 | 自 | 12 | 72 | 139 | 120 | 21 | 23 | 60 | 110 | 125 | 6.5 | 4 |
CZ-0.6 | 6 | 0.5 | 0.3 | 自 | 12 | 72 | 139 | 120 | 21 | 23 | 60 | 110 | 125 | 6.5 | 4 |
CZ-1 | 10 | 0.6 | 0.8 | 水 | 12 | 100 | 188 | 135 | 26 | 16 | 70 | 155 | 180 | 9 | 4 |
CZ-2 | 20 | 0.6 | 1.6 | 水 | 18 | 120 | 220 | 144 | 30 | 20 | 78 | 155 | 190 | 11 | 6 |
CZ-5 | 50 | 0.8 | 3.5 | 水 | 22 | 150 | 260 | 165 | 35 | 14 | 110 | 185 | 230 | 11 | 6 |
CZ-10 | 100 | 1 | 7 | 水 | 28 | 165 | 300 | 305 | 55 | 37.5 | 100 | 185 | 274 | 13 | 8 |
CZ-20 | 200 | 2 | 10 | 水 | 35 | 180 | 335 | 341 | 70 | 35.5 | 125 | 268 | 320 | 13 | 10 |
CZ-40 | 400 | 2.5 | 12 | 水 | 45 | 210 | 385 | 343 | 70 | 23 | 150 | 300 | 350 | 13 | 14 |
CZ-50 | 500 | 2.5 | 14 | 水 | 60 | 240 | 440 | 634 | 100 | 53 | 230 | 340 | 420 | 17 | 18 |
CZ-100 | 1000 | 2.5 | 18 | 水 | 60 | 280 | 522 | 478 | 100 | 31 | 220 | 430 | 500 | 17 | 18 |
CZ-200 | 2000 | 3 | 25 | 水 | 75 | 325 | 610 | 543 | 110 | 50 | 250 | 520 | 600 | 22 | 20 |
CZ-500 | 5000 | 3 | 40 | 水 | 90 | 430 | 818 | 662 | 140 | 50 | 320 | 600 | 700 | 22 | 25 |
CZ-1000 | 10000 | 4 | 50 | 水 | 120 | 600 | 1125 | 740 | 160 | 40 | 360 | 900 | 1030 | 26 | 32 |
CZ-2000 | 20000 | 5 | 75 | 水 | 155 | 725 | 1545 | 900 | 180 | 105 | 400 | 1300 | 1450 | 34 | 40 |